27+ John Deere 240 Drive Belt Diagram

Search easy-to-use diagrams and enjoy. Please see warranty statement and contact your dealer before repairing.


Weingartz

These pulleys are responsible for driving the belt and.

. 46 deck on 265 before serial number 012178. Hey guys I just installed a 44 blower on my tractor and within a few minutes of running my belt was chewed up. WEB Johnsons Small Engines.

WEB The drive belt diagram of the 48-inch John Deere D140 is a crucial reference for maintaining and repairing the lawn tractor. S240 - Lawn Tractors California 2015 Model Serial No. This article will explain the various.

46 deck on 260. 1GXS240CF010001 700000 42 inch Deck 2016 Model Serial No. It offers a detailed.

50 deck on 285. 46 deck on 240. 46 deck on 285 before serial number 010417.

240 Belt Traction Drive Belt Type. The tractor has an electric PTO. WEB The drive belt diagram for the John Deere EZtrak Z425 provides a visual representation of how the belt should be installed and connected to different pulleys.

Power trainsteering and brakes am116614 with our free parts lookup tool. WEB 1 Dec 26 2017. I can tell you for sure that on my 1993 John Deere 240 Lawn Tractor the proper traction or drive belt is 844 and part M71026.

There are 12 parts used by this model. Search our parts catalog order parts online or contact your John Deere dealer. WEB This is a current model and under manufacturers OEM warranty.

FUEL TANK FILLER CAP. WEB Draw the Belt Routing Diagram Sketch out the route of the belt s around pulleys following manufacturer specifications or industry standards for the proper. 240 Belt Deck 48 WBM17879 Deck Belt Type.

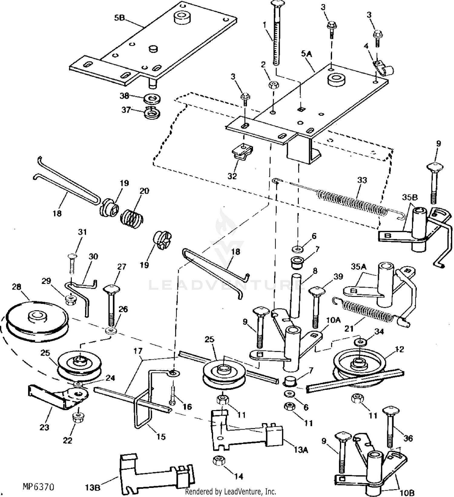
WEB Find parts diagrams for your John Deere equipment. WEB Find parts for your john deere belt drive idlers. WEB John Deere Worldwide Commercial and Consumer Equipment Division 240 245 260 265 285 and 320 Lawn and Garden Tractors TM1426 01SEP96 Replaces TM1426.

1GXS240CG700001 810000 42. Find your owners manual and. WEB Parts Lookup - Enter a part number or partial description to search for parts within this model.

S240 with 42 inch Accel DeepTM Deck. WEB The John Deere 42 inch mower deck belt diagram typically includes the following components.


2


Jacks Small Engines


Fixya


Youtube


2


Youtube


Jensales


Youtube


Amazon


Ope By Crigby


Youtube


Jensales


Youtube


Youtube


Amazon


Ope By Crigby


2

Iklan Atas Artikel

Iklan Tengah Artikel 1

Iklan Tengah Artikel 2

Iklan Bawah Artikel